PRODUCTS
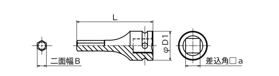
六角穴付ボルト用ヘックスソケット
差込角□6.35のNo. 420 、No. 421、No. 422、No. 430 、No. 431、No. 432 は手動式ツール用で貫通穴はありません。
(それ以外は手動式/動力式両用で貫通穴があります。)
| 六角穴付ボルト用ヘックスソケット |
| 名 称 |
カタログNo. |
寸法 [mm] |
| 差込角(メス)□a1 |
二面幅B |
D1 |
L |
| ソケット2CS-2.5 |
420 |
6.35 |
2.5 |
12 |
25 |
| ソケット2CS-3 |
421 |
3 |
| ソケット2CS-4 |
422 |
4 |
| ソケット2C-2.5 |
430 |
2.5 |
12 |
40 |
| ソケット2C-3 |
431 |
3 |
| ソケット2C-4 |
432 |
4 |
42 |
| ソケット3C-3 |
440 |
9.53 |
3 |
19 |
50 |
| ソケット3C-4 |
441 |
4 |
| ソケット3C-5 |
442 |
5 |
| ソケット3C-6 |
443 |
6 |
| ソケット4C-6 |
450 |
12.7 |
6 |
25 |
60 |
| ソケット4C-8 |
451 |
8 |
| ソケット4C-10 |
452 |
10 |
27 |
68 |
| ソケット4C-12 |
453 |
12 |
| ソケット4C-14 |
454 |
14 |
28 |
78 |
| ソケット6C-14 |
460 |
19.05 |
14 |
37 |
87 |
| ソケット6C-17 |
461 |
17 |
| ソケット6C-19 |
462 |
19 |
38 |
| |